維修變頻器首先要能夠看懂并繪制變頻器電路圖,要想看懂變頻器電氣原理圖,首先要搞清楚其中的電氣原理及其符號所表示的含義。

具備這個基礎后,在分析原理圖時應注意先后順序,一般是先看主電路,再看輔助電路。
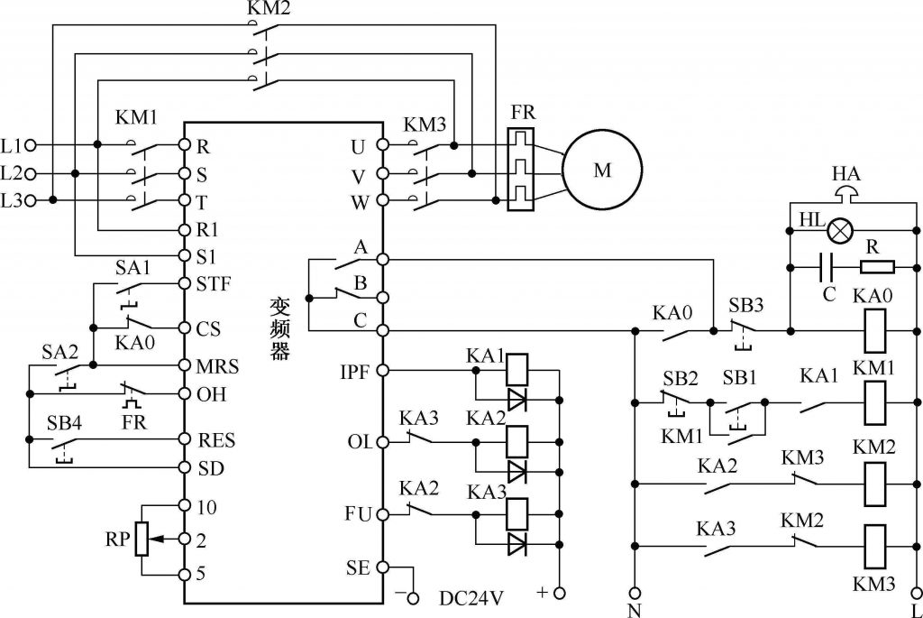
- 主電路:電氣控制線路中大電流通過的部分,包括從電源到電機之間相連的電器元件;一般由組合開關、主熔斷器、接觸器主觸點、熱繼電器的熱元件和電動機等組成。
- 輔助電路:控制線路中除主電路以外的電路,其流過的電流比較小和輔助電路包括控制電路、照明電路、信號電路和保護電路。
一、分析主電路
- 分析主回路的工作用途和工作特點。例如:電動機的起動方式,有無正、反轉,調速和制動等要求。
- 分析主回路中的用電設備是用什么設備控制的
- 分析主回路中其它的電器,并且了解它們起什么作用。如QS是電源開關,用以控制電源;FU是熔斷器,作為短路保護裝置。FR是熱繼電器,作為過載保護裝置。
- 看電源,了解主回路的電源電壓是380V還是220V。

二、分析輔助回路
- 看電源。首先要看清電源是什么電源,是直流的還是交流的,其次要看清電源是從何處接來,電壓有多大。通常,從主回路的兩根相線上接來的電源,其線電壓為 380伏,從主回路的一根相線和一根地線上接來的電源,其相電壓為220伏。
- 根據輔助回路研究主回路的運作情況。輔助回路先從小的回路看起,再看大的回路。常見的控制回路是首先按下起動按鈕,接通斷開的回路,電流進入接觸器的線圈KM,主回路中的主觸頭閉合,于是電動機通電運轉。按下停止按鈕,回路斷開,KM斷電,接觸器釋放,主觸頭斷開,于是電動機被斷電而停止。
- 分析電器之間的相互聯系,回路中的所有電器都是相互聯系、相互制約的。有時用甲電器去控制乙電器,甚至用乙電器再去控制丙電器,在閱讀回路圖時應仔細査明它們之間的相互聯系。
三、分析其他回路
其他回路是指照明、信號、保護等回路,這些回路一般比較簡單,只要看清它們的線路走向、回路的來龍去脈即可。

